■電線・ケーブルの許容電流
制御、計装及び通信ケーブルでは、許容電流(送電容量)は問題とならないが電力ケーブルにおいては非常に大きなファクターとなる。
電線・ケーブルの許容電流は、通電電流による電線の温度上昇を或る一定限度以下におさえて、電線の持っている特性を不当に損ずることなく、適正な年限の使用ができるように定められたものであります。
許容電流は、使用条件(配列、条数、布設方法、周囲温度など)や被覆物、絶縁物などによって大きな相違があり、JCS 0168(日本電線工業会規格)に従い計算されます。
一般に一定の使用条件での許容電流は「許容電流表」として与えられますが、許容電流表の適用に当っては使用する状況や条件が合致しているかどうか確認して下さい。
それぞれの電線・ケーブルについて許容電流を知り、適切なサイズを選定することは、経済的にも、保守上からもきわめて大切なことです。
◆気中及び暗渠多条布設の場合の低減率
中心間隔 |
段 |
1 |
2 |
| 列 |
1 |
2 |
3 |
6 |
7〜20 |
2 |
3 |
4 |
5 |
6 |
7 |
8〜20 |
| S = d |
1.00 |
0.85 |
0.80 |
0.70 |
0.70 |
0.70 |
0.60 |
0.60 |
0.56 |
0.53 |
0.51 |
0.50 |
| S = 2d |
1.00 |
0.95 |
0.95 |
0.90 |
0.80 |
0.90 |
0.90 |
0.85 |
0.73 |
0.72 |
0.71 |
0.70 |
| S = 3d |
1.00 |
1.00 |
1.00 |
0.95 |
— |
0.95 |
0.95 |
0.90 |
— |
— |
— |
— |
中心間隔 |
段 |
3 |
| 列 |
3 |
4 |
5 |
6 |
7 |
8 |
9〜10 |
11〜12 |
13〜15 |
16〜19 |
20 |
| S = d |
0.48 |
0.41 |
0.37 |
0.34 |
0.32 |
0.31 |
0.30 |
0.30 |
0.30 |
0.30 |
0.30 |
| S = 2d |
0.80 |
0.80 |
0.68 |
0.66 |
0.65 |
0.65 |
0.64 |
0.63 |
0.62 |
0.61 |
0.60 |
| S = 3d |
0.85 |
0.85 |
— |
— |
— |
— |
— |
— |
— |
— |
— |
※ S: 導体中心間隔
※ d: ケーブル外径
◆600V絶縁電線の許容電流表
導体最高許容温度および周囲温度はつぎのとおりで、周囲温度がこの条件と異なる場合にはその温度に応じた電流減少係数を乗じて許容電流を算出します。
| 電線種別 |
600Vビニル絶縁電線 |
600V 耐熱ビニルおよびポリエチレン絶縁電線 |
600V EPゴム絶縁電線 |
600V 架橋ポリエチレン絶縁電線 |
| 導体最高許容温度 (°C) |
60 |
75 |
80 |
90 |
| 周囲温度 (°C) |
30 |
30 |
30 |
30 |
●がいし引き工事の場合の許容電流表
| 導体 |
許 容 電 流 (A) |
| 形状 |
導体径
または
公称断面積 |
600Vビニル絶縁電線 |
600V 耐熱ビニルおよびポリエチレン絶縁電線 |
600V EPゴム絶縁電線 |
600V 架橋ポリエチレン絶縁電線 |
| 銅導体 |
銅導体 |
銅導体 |
銅導体 |
| 単線 |
1.2mm |
19 |
23 |
25 |
27 |
| 1.6 |
27 |
33 |
35 |
38 |
| 2 |
35 |
43 |
45 |
49 |
| より線 |
0.9mm2 |
17 |
21 |
22 |
24 |
| 1.25 |
19 |
23 |
25 |
27 |
| 2 |
27 |
33 |
35 |
38 |
| 3.5 |
37 |
45 |
48 |
52 |
| 5.5 |
49 |
60 |
63 |
69 |
| 8 |
61 |
74 |
79 |
86 |
| 14 |
88 |
107 |
114 |
124 |
| 22 |
115 |
140 |
148 |
162 |
| 38 |
162 |
198 |
209 |
228 |
| 60 |
217 |
265 |
280 |
306 |
| 100 |
298 |
364 |
384 |
420 |
| 150 |
395 |
482 |
510 |
557 |
| 200 |
469 |
572 |
605 |
661 |
| 250 |
556 |
678 |
717 |
784 |
| 325 |
650 |
793 |
839 |
917 |
| 400 |
745 |
909 |
961 |
1050 |
| 500 |
842 |
1027 |
1086 |
1187 |
●電線管工事の場合の許容電流減少係数
電線管工事の場合はがいし引工事の場合の許容電流につぎの係数を乗じた値となります。
| 同一管内の電線数 |
許容電流減少係数 |
| 3本以下 |
0.70 |
| 4本 |
0.63 |
| 5本または6本 |
0.56 |
| 7本以上15本以下 |
0.49 |
| 16本以上40本以下 |
0.43 |
| 41本以上60本以下 |
0.39 |
| 61 本 以 上 |
0.34 |
●周囲温度による許容電流減少係数
周囲温度 (°C) |
電 流 減 少 係 数 |
600V ビニル
絶縁電線 |
600V 耐熱ビニル および ポリエチレン
絶縁電線 |
600V EPゴム
絶縁電線 |
600V 架橋
ポリエチレン
絶縁電線 |
| 0 |
1.41 |
1.29 |
1.26 |
1.22 |
| 5 |
1.35 |
1.25 |
1.22 |
1.19 |
| 10 |
1.29 |
1.20 |
1.18 |
1.15 |
| 15 |
1.22 |
1.15 |
1.14 |
1.12 |
| 20 |
1.15 |
1.11 |
1.11 |
1.08 |
| 25 |
1.08 |
1.05 |
1.05 |
1.04 |
| 30 |
1.00 |
1.00 |
1.00 |
1.00 |
| 35 |
0.91 |
0.94 |
0.95 |
0.96 |
| 40 |
0.82 |
0.88 |
0.89 |
0.91 |
| 45 |
0.71 |
0.82 |
0.84 |
0.87 |
| 50 |
0.58 |
0.75 |
0.77 |
0.82 |
| 55 |
0.41 |
0.67 |
0.71 |
0.76 |
| 60 |
0 |
0.58 |
0.63 |
0.71 |
その他の周囲温度における補正係数は、次式により求めて下さい。
(電流補正係数)=
T₁:導体最高許容温度(℃)
T₂:周囲温度(℃)
T₂':求めたい周囲温度(℃)
◆架橋ポリエチレン絶縁ビニルシースケーブル(CV)の許容電流
●600V架橋ポリエチレン絶縁ビニルシースケーブル(CV)
(単位:A)
| 布設条件 |
気中暗きょ布設 |
直埋布設 |
管路布設 |
| 周囲温度(°C) |
40 |
25 |
25 |
導体最高
許容温度(°C) |
90 |
90 |
90 |
| 公称断面積 |
布設条件 |
| 単 心 |
2 心 |
3 心 |
単 心 |
2 心 |
3 心 |
単 心 |
2 心 |
3 心 |
単 心 |
3条布設
S = 2d |
1条布設 |
1条布設 |
3条布設
S = d |
1条布設 |
1条布設 |
4孔3条布設 |
4孔4条布設 |
4孔4条布設 |
6孔6条布設 |
| 2mm2 |
31 |
28 |
23 |
38 |
39 |
32 |
32 |
25 |
21 |
— |
| 3.5 |
44 |
39 |
33 |
52 |
54 |
45 |
45 |
35 |
29 |
— |
| 5.5 |
58 |
52 |
44 |
66 |
69 |
58 |
58 |
45 |
37 |
— |
| 8 |
72 |
65 |
54 |
81 |
85 |
71 |
72 |
55 |
46 |
— |
| 14 |
100 |
91 |
76 |
110 |
115 |
97 |
99 |
75 |
63 |
— |
| 22 |
130 |
120 |
100 |
140 |
150 |
125 |
125 |
98 |
81 |
— |
| 38 |
190 |
170 |
140 |
190 |
205 |
170 |
175 |
130 |
110 |
— |
| 60 |
255 |
225 |
190 |
245 |
260 |
215 |
230 |
170 |
140 |
— |
| 100 |
355 |
310 |
260 |
325 |
345 |
285 |
310 |
225 |
185 |
270 |
| 150 |
455 |
400 |
340 |
405 |
435 |
360 |
390 |
285 |
235 |
340 |
| 200 |
545 |
485 |
410 |
470 |
505 |
420 |
460 |
330 |
275 |
395 |
| 250 |
620 |
560 |
470 |
525 |
570 |
470 |
520 |
370 |
305 |
445 |
| 325 |
725 |
660 |
555 |
605 |
650 |
540 |
600 |
425 |
350 |
510 |
| 400 |
815 |
— |
— |
670 |
— |
— |
670 |
— |
— |
570 |
| 500 |
920 |
— |
— |
745 |
— |
— |
750 |
— |
— |
635 |
| 600 |
1,005 |
— |
— |
805 |
— |
— |
820 |
— |
— |
695 |
| 800 |
1,285 |
— |
— |
965 |
— |
— |
980 |
— |
— |
825 |
| 1,000 |
1,470 |
— |
— |
1,060 |
— |
— |
1,095 |
— |
— |
915 |
| 備考 |
— |
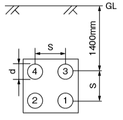
土壤熱抵抗100°C • cm/W、深さGL-1400mm、損失率1.0 |
備考1. 周囲温度が40°C以外の場合は、下表の電流補正係数を乗じて許容電流値を補正する。
| 周囲温度(°C) |
20 |
25 |
30 |
35 |
45 |
50 |
| 電流補正係数 |
1.18 |
1.14 |
1.10 |
1.05 |
0.95 |
0.89 |
2. 土壌温度が25°C以外の場合は、下表の電流補正係数を乗じて許容電流値を補正する。
| 土壤温度(°C) |
20 |
30 |
35 |
40 |
45 |
50 |
| 電流補正係数 |
1.04 |
0.96 |
0.92 |
0.88 |
0.83 |
0.78 |
3. 管路布設条件は次のとおり。
| ケーブル外径(mm) |
d (mm) |
S (mm) |
| 75以下 |
100 |
200 |
| 75.1以上 |
150 |
250 |
●600V単心より合せ形CVケーブル
(単位:A)
| 布設条件 |
気中暗きょ布設 |
直埋布設 |
管路布設 |
| 周囲温度(°C) |
40 |
25 |
25 |
導体最高
許容温度(°C) |
90 |
90 |
90 |
| 公称断面積 |
布設条件 |
| 単 心 |
単 心 |
単 心 |
単 心 |
単 心 |
単 心 |
| 2個より1条 |
3個より1条 |
2個より1条 |
3個より1条 |
2個より4孔4条 |
3個より4孔4条 |
| 8mm2 |
66 |
62 |
89 |
77 |
55 |
50 |
| 14 |
91 |
86 |
120 |
100 |
77 |
67 |
| 22 |
120 |
110 |
155 |
130 |
100 |
87 |
| 38 |
165 |
155 |
210 |
180 |
135 |
115 |
| 60 |
225 |
210 |
270 |
230 |
175 |
150 |
| 100 |
310 |
290 |
360 |
305 |
230 |
200 |
| 150 |
400 |
380 |
450 |
380 |
290 |
250 |
| 200 |
490 |
465 |
525 |
445 |
340 |
290 |
| 250 |
565 |
535 |
590 |
500 |
380 |
325 |
| 325 |
670 |
635 |
675 |
570 |
440 |
375 |
| 400 |
765 |
725 |
750 |
635 |
485 |
415 |
| 500 |
880 |
835 |
830 |
705 |
545 |
475 |
| 備考 |
— |
土壤熱抵抗100°C • cm/W、深さGL-1400mm、損失率1.0 |
備考1. 周囲温度が40°C以外の場合は、下表の電流補正係数を乗じて許容電流値を補正する。
| 周囲温度(°C) |
20 |
25 |
30 |
35 |
45 |
50 |
| 電流補正係数 |
1.18 |
1.14 |
1.10 |
1.05 |
0.95 |
0.89 |
2. 土壌温度が25°C以外の場合は、下表の電流補正係数を乗じて許容電流値を補正する。
| 土壤温度(°C) |
20 |
30 |
35 |
40 |
45 |
50 |
| 電流補正係数 |
1.04 |
0.96 |
0.92 |
0.88 |
0.83 |
0.78 |
3. 管路布設条件は次のとおり。
| ケーブル外径(mm) |
d (mm) |
S (mm) |
| 75以下 |
100 |
200 |
| 75.1以上 |
150 |
250 |
●3300V、6600V架橋ポリエチレン絶縁ビニルシースケーブル(CV)
(単位:A)
| 布設条件 |
気中暗きょ布設 |
直埋布設 |
管路布設 |
| 周囲温度(°C) |
40 |
25 |
25 |
導体最高
許容温度(°C) |
90 |
90 |
90 |
| 公称断面積 |
布設条件 |
| 単 心 |
3 心 |
単 心 |
3 心 |
単 心 |
3 心 |
| 3条布設S=2d |
1条布設 |
3条布設S=2d |
1条布設 |
4孔3条布設 |
4孔4条布設 |
| 8mm2 |
78 |
61 |
82 |
70 |
76 |
49 |
| 14 |
105 |
83 |
110 |
90 |
100 |
66 |
| 22 |
140 |
105 |
140 |
120 |
130 |
84 |
| 38 |
195 |
145 |
190 |
160 |
180 |
110 |
| 60 |
260 |
195 |
250 |
210 |
235 |
140 |
| 100 |
355 |
265 |
330 |
280 |
310 |
190 |
| 150 |
455 |
345 |
415 |
350 |
390 |
235 |
| 200 |
540 |
410 |
485 |
405 |
455 |
275 |
| 250 |
615 |
470 |
545 |
455 |
515 |
310 |
| 325 |
720 |
550 |
630 |
525 |
595 |
360 |
| 400 |
810 |
— |
705 |
— |
665 |
— |
| 500 |
930 |
— |
790 |
— |
745 |
— |
| 600 |
1,040 |
— |
865 |
— |
820 |
— |
| 800 |
1,280 |
— |
1,025 |
— |
975 |
— |
| 1,000 |
1,460 |
— |
1,140 |
— |
1,090 |
— |
| 備考 |
— |
土壤熱抵抗100°C • cm/W、深さGL-1400mm、損失率1.0 |
備考1. 周囲温度が40°C以外の場合は、下表の電流補正係数を乗じて許容電流値を補正する。
| 周囲温度(°C) |
20 |
25 |
30 |
35 |
45 |
50 |
| 電流補正係数 |
1.18 |
1.14 |
1.10 |
1.05 |
0.95 |
0.89 |
2. 土壌温度が25°C以外の場合は、下表の電流補正係数を乗じて許容電流値を補正する。
| 土壤温度(°C) |
20 |
30 |
35 |
40 |
45 |
50 |
| 電流補正係数 |
1.04 |
0.96 |
0.92 |
0.88 |
0.83 |
0.78 |
3. 管路布設条件は次のとおり。
| ケーブル外径(mm) |
d (mm) |
S (mm) |
| 75以下 |
100 |
200 |
| 75.1以上 |
150 |
250 |
●3300V、6600Vトリプレックス形架橋ポリエチレン絶縁ビニルシースケーブル(CVT)
(単位:A)
| 布設条件 |
気中暗きょ布設 |
直埋布設 |
管路布設 |
| 周囲温度(°C) |
40 |
25 |
25 |
導体最高
許容温度(°C) |
90 |
90 |
90 |
| 公称断面積 |
布設条件 |
| 1回線 |
2回線 |
3回線 |
1回線 |
2回線 |
3回線 |
1回線 |
2回線 |
4回線 |
| — |
S = 2d |
S = 2d |
— |
S = 2d |
S = 2d |
— |
— |
— |
| 8mm2 |
69 |
65 |
78 |
67 |
58 |
64 |
59 |
53 |
| 14 |
95 |
90 |
105 |
90 |
78 |
87 |
80 |
71 |
| 22 |
120 |
110 |
135 |
110 |
99 |
110 |
100 |
92 |
| 38 |
170 |
160 |
180 |
150 |
130 |
155 |
140 |
120 |
| 60 |
225 |
210 |
235 |
195 |
165 |
200 |
180 |
160 |
| 100 |
310 |
290 |
310 |
255 |
220 |
270 |
240 |
210 |
| 150 |
405 |
380 |
390 |
320 |
275 |
340 |
305 |
260 |
| 200 |
485 |
460 |
450 |
375 |
325 |
400 |
360 |
305 |
| 250 |
560 |
530 |
510 |
420 |
360 |
450 |
405 |
345 |
| 325 |
660 |
625 |
585 |
480 |
415 |
530 |
475 |
400 |
| 400 |
750 |
710 |
650 |
535 |
465 |
590 |
530 |
445 |
| 500 |
855 |
810 |
725 |
595 |
515 |
665 |
590 |
495 |
| 600 |
950 |
900 |
785 |
650 |
560 |
735 |
655 |
545 |
| 備考 |
— |
土壤熱抵抗100°C • cm/W、深さGL-1400mm、損失率1.0 |
備考1. 周囲温度が40°C以外の場合は、下表の電流補正係数を乗じて許容電流値を補正する。
| 周囲温度(°C) |
20 |
25 |
30 |
35 |
45 |
50 |
| 電流補正係数 |
1.18 |
1.14 |
1.10 |
1.05 |
0.95 |
0.89 |
2. 土壌温度が25°C以外の場合は、下表の電流補正係数を乗じて許容電流値を補正する。
| 土壤温度(°C) |
20 |
30 |
35 |
40 |
45 |
50 |
| 電流補正係数 |
1.04 |
0.96 |
0.92 |
0.88 |
0.83 |
0.78 |
3. 管路布設条件は次のとおり。
| ケーブル外径(mm) |
d (mm) |
S (mm) |
| 80以下 |
200 |
300 |
| 80.1〜100 |
250 |
350 |
| 100.1以上 |
300 |
400 |
注:ケーブル外径は、包絡円径とする。
●22,33kV 架橋ポリエチレン絶縁ビニルシースケーブル
22,33kV トリプレックス形架橋ポリエチレン絶縁ビニルシースケーブル
(単位:A)
| 布設条件 |
気中暗きょ布設 |
直埋布設 |
管路布設 |
| 周囲温度(°C) |
40 |
25 |
25 |
導体最高
許容温度(°C) |
90 |
90 |
90 |
| 公称断面積 |
布設条件 |
| 単 心 |
トリプレックス |
単 心 |
トリプレックス |
単 心 |
トリプレックス |
| 3条布設 S=2d |
1条布設 |
3条布設 S=2d |
1回線 |
2回線 |
4孔3条布設 |
1回線 |
2回線 |
| 60mm2 |
260 |
240 |
245 |
225 |
195 |
235 |
205 |
185 |
| 100 |
350 |
325 |
325 |
300 |
255 |
310 |
275 |
245 |
| 150 |
445 |
420 |
410 |
375 |
320 |
390 |
345 |
310 |
| 200 |
530 |
500 |
480 |
440 |
375 |
455 |
415 |
370 |
| 250 |
600 |
570 |
540 |
490 |
420 |
510 |
465 |
415 |
| 325 |
710 |
670 |
625 |
565 |
485 |
590 |
535 |
480 |
| 400 |
805 |
760 |
695 |
630 |
540 |
660 |
605 |
540 |
| 500 |
925 |
860 |
785 |
700 |
600 |
740 |
680 |
605 |
| 600 |
1,025 |
— |
855 |
— |
— |
810 |
— |
— |
| 800 |
1,255 |
— |
1,020 |
— |
— |
970 |
— |
— |
| 1,000 |
1,450 |
— |
1,130 |
— |
— |
1,075 |
— |
— |
備考1. 周囲温度が40°C以外の場合は、下表の電流補正係数を乗じて許容電流値を補正する。
| 周囲温度(°C) |
20 |
25 |
30 |
35 |
45 |
50 |
| 電流補正係数 |
1.18 |
1.14 |
1.10 |
1.05 |
0.95 |
0.89 |
2. 土壌温度が25°C以外の場合は、下表の電流補正係数を乗じて許容電流値を補正する。
| 土壤温度(°C) |
20 |
30 |
35 |
40 |
45 |
50 |
| 電流補正係数 |
1.04 |
0.96 |
0.92 |
0.88 |
0.83 |
0.78 |
3. 管路布設条件は次のとおり。
| ケーブル外径(mm) |
d (mm) |
S (mm) |
| 75以下 |
100 |
200 |
| 75.1以上 |
150 |
250 |
◆エコ電線・ケーブルの許容電流
エコ電線・ケーブルの許容電流については こちら をご確認ください。